产品中心
强大的产品研发能力和创新能力

FAA HⅢ-50th 假人

FAA 测试假人是通用汽车(General Motor)开发的混合动力 III第 50 分位男性汽车碰撞测试假人的一个改进,用于评估汽车内部约束系统的正面碰撞损伤潜力。为了适应航空环境状况,美国联邦航空局特意对其作了改进,使假人适用于普通和运输类飞机以及普通和运输类旋翼飞机。


产品介绍
产品参数
售后服务
用途

FAA 测试假人是通用汽车(General Motor)开发的混合动力 III第 50 分位男性汽车碰撞测试假人的一个改进,用于评估汽车内部约束系统的正面碰撞损伤潜力。为了适应航空环境状况,美国联邦航空局特意对其作了改进,使假人适用于普通和运输类飞机以及普通和运输类旋翼飞机。

FAA H3-50th 假人主要用于航空耐撞安全试验,其外型以人体躯干部分为样本,内腔体可以搭载相关测试设备,其目的是模拟发生航空事故时,获取人体碰撞的实际损伤情况,从而进一步改进飞机,以便更好的保障乘客安全。假人整体结构主要包括头部总成、颈部总成、肩部总成、胸部总成、臀部总成、手臂总成、腿部总成。

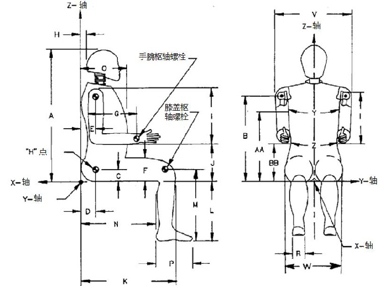
假人外形尺寸

坐姿状态下假人主要外形尺寸



1. 服务作为公司生存和发展的生命线,坚持为每一位客户提供高品质,高效率的售后服务

2. 质量第一 客户至上,我公司严格按照现行有效的质量体系文件进行产品生产过程控制,确保研制设备的质量。

3. 我们承诺对您采购的整套系统终身服务,供应零备件或提供其他相应维保措施。

4. 我们承诺可根据您的需要扩展和升级硬件系统和软件系统的功能。

5. 我司将常备易损易耗配件库存,确保备件供应及时。

6. 我们商务人员与技术人员将为您提供24小时商务服务与技术服务。 我们承诺服务响应时间:电话服务2小时内专业工程师应答,12小时内提供解决方案,需现场服务的问题我司专业工程师48小时内到达现场排除故障。


用途文字说明

服务热线:

0731-82259185

地址:湖南省长沙市望城经济开发区联东U谷A27栋
邮箱:19911536845@163.com

Copyright © 2025 中科航智能科技(长沙)有限公司
湘ICP备2025109278号-1